Характеристики:
- Проток: 604.04 - 4мм
- Диапазон температур в зависимости от материала прокладок: - 20°C + 100°C (Нитрил NBR )
- Рабочее давление: 160 бар
- Материал стандартного исполнения муфты, ниппеля: нержавеющая сталь
- Материал стандартного исполнения прокладок: прокладки из Витона
604.06 - 6мм
604.08 - 8мм
604.12 - 12 мм
- 10°C + 180°C (Витон FPM (V))
Область применения:
-
Для гидравлических жидкостей в производстве изделий из пластмасс и резины.
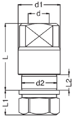
БРС муфта / розетка с внутренней резьбой для гидравлики

| L | L1 | L2 | |||||||
| Артикул | d | d1 | d2 |
Станд. серия |
MP серия |
Станд. серия |
MP серия |
Станд. серия |
MP серия |
| 604.04 DGB 13 | BSP 1/4” | 25 | 21 | 45 | 57 | 20 | 8 | 14 | 14 |
| 604.04 DGB 13 H4 | BSP 1/4” | 25 | 21 | 45 | 57 | 20 | 8 | 14 | 14 |
| 604.04 QGB 13 | BSPT 1/4” | 25 | 21 | 45 | 57 | 20 | 8 | 14 | 14 |
| 604.04 QGB 13 H4 | BSPT 1/4” | 25 | 21 | 45 | 57 | 20 | 8 | 14 | 14 |
| 604.04 DGB N13 | NPT 1/4” | 25 | 21 | 45 | 57 | 20 | 8 | 14 | 14 |
| 604.04 DGB N13 H4 | NPT 1/4” | 25 | 21 | 45 | 57 | 20 | 8 | 14 | 14 |
| 604.04 UGB 11 | UNF 7/16-20 | 25 | 21 | 45 | 57 | 20 | 8 | 14 | 14 |
| 604.04 UGB 11 H4 | UNF 7/16-20 | 25 | 21 | 45 | 57 | 20 | 8 | 14 | 14 |
| 604.06 DGB 17 | BSP 3/8” | 29 | 25 | 46,5 | 58,8 | 20 | 8 | 14 | 14 |
| 604.06 DGB 17 H4 | BSP 3/8” | 29 | 25 | 46,5 | 58,8 | 20 | 8 | 14 | 14 |
| 604.06 QGB 17 | BSPT 3/8” | 29 | 25 | 46,5 | 58,8 | 20 | 8 | 14 | 14 |
| 604.06 QGB 17 H4 | BSPT 3/8” | 29 | 25 | 46,5 | 58,8 | 20 | 8 | 14 | 14 |
| 604.06 DGB N17 | NPT 3/8” | 29 | 25 | 46,5 | 58,8 | 20 | 8 | 14 | 14 |
| 604.06 DGB N17 H4 | NPT 3/8” | 29 | 25 | 46,5 | 58,8 | 20 | 8 | 14 | 14 |
| 604.06 UGB 13 | UNF 1/2-20 | 29 | 25 | 46,5 | 58,8 | 20 | 8 | 14 | 14 |
| 604.06 UGB 13 H4 | UNF 1/2-20 | 29 | 25 | 46,5 | 58,8 | 20 | 8 | 14 | 14 |
| 604.08 DGB 21 | BSP 1/2” | 33 | 28 | 52,5 | 64 | 20 | 8 | 14 | 14 |
| 604.08 DGB 21 H4 | BSP 1/2” | 33 | 28 | 52,5 | 64 | 20 | 8 | 14 | 14 |
| 604.08 QGB 21 | BSPT 1/2” | 33 | 28 | 52,5 | 64 | 20 | 8 | 14 | 14 |
| 604.08 QGB 21 H4 | BSPT 1/2” | 33 | 28 | 52,5 | 64 | 20 | 8 | 14 | 14 |
| 604.08 DGB N21 | NPT 1/2” | 33 | 28 | 52,5 | 64 | 20 | 8 | 14 | 14 |
| 604.08 DGB N21 H4 | NPT 1/2” | 33 | 28 | 52,5 | 64 | 20 | 8 | 14 | 14 |
| 604.08 UGB 14 | UNF 9/16-18 | 33 | 28 | 52,5 | 64 | 20 | 8 | 14 | 14 |
| 604.08 UGB 14 H4 | UNF 9/16-18 | 33 | 28 | 52,5 | 64 | 20 | 8 | 14 | 14 |
| 604.12 DGB 26 | BSP 3/4” | 44 | 43 | 62,5 | 74,5 | 20 | 8 | 14 | 14 |
| 604.12 DGB 26 H4 | BSP 3/4” | 44 | 43 | 62,5 | 74,5 | 20 | 8 | 14 | 14 |
| 604.12 QGB 26 | BSPT 3/4” | 44 | 43 | 62,5 | 74,5 | 20 | 8 | 14 | 14 |
| 604.12 QGB 26 H4 | BSPT 3/4” | 44 | 43 | 62,5 | 74,5 | 20 | 8 | 14 | 14 |
| 604.12 DGB N26 | NPT 3/4” | 44 | 43 | 62,5 | 74,5 | 20 | 8 | 14 | 14 |
| 604.12 DGB N26 H4 | NPT 3/4” | 44 | 43 | 62,5 | 74,5 | 20 | 8 | 14 | 14 |
| 604.12 UGB 22 | UNF 7/8-14 | 44 | 43 | 62,5 | 74,5 | 20 | 8 | 14 | 14 |
| 604.12 UGB 22 H4 | UNF 7/8-14 | 44 | 43 | 62,5 | 74,5 | 20 | 8 | 14 | 14 |
БРС ниппель / штуцер с внутренней резьбой для гидравлики

| L | L1 | L2 | |||||||
| Артикул | d | d1 | d2 |
Станд. серия |
MP серия |
Станд. серия |
MP серия |
Станд. серия |
MP серия |
| 604.04 DRB 13 | BSP 1/4” | 25 | 21 | 45 | 53 | 30,5 | 18,5 | 10 | 14 |
| 604.04 DRB 13 H4 | BSP 1/4” | 25 | 21 | 45 | 53 | 30,5 | 18,5 | 10 | 14 |
| 604.04 QRB 13 | BSPT 1/4” | 25 | 21 | 45 | 53 | 30,5 | 18,5 | 10 | 14 |
| 604.04 QRB 13 H4 | BSPT 1/4” | 25 | 21 | 45 | 53 | 30,5 | 18,5 | 10 | 14 |
| 604.04 DRB N13 | NPT 1/4” | 25 | 21 | 45 | 53 | 30,5 | 18,5 | 10 | 14 |
| 604.04 DRB N13 H4 | NPT 1/4” | 25 | 21 | 45 | 53 | 30,5 | 18,5 | 10 | 14 |
| 604.04 URB 11 | UNF 7/16-20 | 25 | 21 | 45 | 53 | 30,5 | 18,5 | 10 | 14 |
| 604.04 URB 11 H4 | UNF 7/16-20 | 25 | 21 | 45 | 53 | 30,5 | 18,5 | 10 | 14 |
| 604.06 DRB 17 | BSP 3/8” | 29 | 25 | 42,5 | 54,5 | 32 | 20 | 10 | 14 |
| 604.06 DRB 17 H4 | BSP 3/8” | 29 | 25 | 42,5 | 54,5 | 32 | 20 | 10 | 14 |
| 604.06 QRB 17 | BSPT 3/8” | 29 | 25 | 42,5 | 54,5 | 32 | 20 | 10 | 14 |
| 604.06 QRB 17 H4 | BSPT 3/8” | 29 | 25 | 42,5 | 54,5 | 32 | 20 | 10 | 14 |
| 604.06 DRB N17 | NPT 3/8” | 29 | 25 | 42,5 | 54,5 | 32 | 20 | 10 | 14 |
| 604.06 DRB N17 H4 | NPT 3/8” | 29 | 25 | 42,5 | 54,5 | 32 | 20 | 10 | 14 |
| 604.06 URB 13 | UNF 1/2-20 | 29 | 25 | 42,5 | 54,5 | 32 | 20 | 10 | 14 |
| 604.06 URB 13 H4 | UNF 1/2-20 | 29 | 25 | 42,5 | 54,5 | 32 | 20 | 10 | 14 |
| 604.08 DRB 21 | BSP 1/2” | 33 | 28 | 48,5 | 60,5 | 34 | 22 | 10 | 14 |
| 604.08 DRB 21 H4 | BSP 1/2” | 33 | 28 | 48,5 | 60,5 | 34 | 22 | 10 | 14 |
| 604.08 QRB 21 | BSPT 1/2” | 33 | 28 | 48,5 | 60,5 | 34 | 22 | 10 | 14 |
| 604.08 QRB 21 H4 | BSPT 1/2” | 33 | 28 | 48,5 | 60,5 | 34 | 22 | 10 | 14 |
| 604.08 DRB N21 | NPT 1/2” | 33 | 28 | 48,5 | 60,5 | 34 | 22 | 10 | 14 |
| 604.08 DRB N21 H4 | NPT 1/2” | 33 | 28 | 48,5 | 60,5 | 34 | 22 | 10 | 14 |
| 604.08 URB 14 | UNF 9/16-18 | 33 | 28 | 48,5 | 60,5 | 34 | 22 | 10 | 14 |
| 604.08 URB 14 H4 | UNF 9/16-18 | 33 | 28 | 48,5 | 60,5 | 34 | 22 | 10 | 14 |
| 604.12 DRB 26 | BSP 3/4” | 44 | 43 | 58,5 | 70,5 | 39 | 27 | 10 | 14 |
| 604.12 DRB 26 H4 | BSP 3/4” | 44 | 43 | 58,5 | 70,5 | 39 | 27 | 10 | 14 |
| 604.12 QRB 26 | BSPT 3/4” | 44 | 43 | 58,5 | 70,5 | 39 | 27 | 10 | 14 |
| 604.12 QRB 26 H4 | BSPT 3/4” | 44 | 43 | 58,5 | 70,5 | 39 | 27 | 10 | 14 |
| 604.12 DRB N26 | NPT 3/4” | 44 | 43 | 58,5 | 70,5 | 39 | 27 | 10 | 14 |
| 604.12 DRB N26 H4 | NPT 3/4” | 44 | 43 | 58,5 | 70,5 | 39 | 27 | 10 | 14 |
| 604.12 URB 22 | UNF 7/8-14 | 44 | 43 | 58,5 | 70,5 | 39 | 27 | 10 | 14 |
| 604.12 URB 22 H4 | UNF 7/8-14 | 44 | 43 | 58,5 | 70,5 | 39 | 27 | 10 | 14 |
БРС муфта / розетка с внешне резьбой для гидравлики

|
|
|||||||||
| Артикул | Артикул | d | d1 | d2 | d3 | L | L1 | L2 | SW |
| 604.04 EGBM 20MP | 604.04 EGM 20MP H4 | M20x1,5 | 21 | 20,5 | 25 | 47 | 14 | 11,7 | 22 |
| 604.06 EGBM 24MP | 604.06 EGM 24MP H4 | M24x1,5 | 25 | 24,5 | 29 | 47 | 14 | 11,7 | 26 |
| 604.08 EGBM 27MP | 604.08 EGM 27MP H4 | M27x1,5 | 28 | 27,5 | 33 | 49 | 15,5 | 43,5 | 29 |
| 604.12 EGBM 36MP | 604.12 EGM 36MP H4 | M36x1,5 | 37 | 36,5 | 42 | 57 | 24 | 21,5 | 38 |
| 604.15 EGBM 42MP | 604.15 EGM 42MP H4 | M42x1,5 | 43 | 42,5 | 47 | 68 | 24,5 | 22,5 | 42 |
| 604.20 EGBM 52MP | 604.20 EGM 52MP H4 | M52x2,0 | 54 | 53 | 62 | 74,5 | 28,5 | 25,5 | 50 |
| 604.25 EGBM 64MP | 604.25 EGM 64MP H4 | M64x2,0 | 66 | 65 | 75 | 96,5 | 36 | 32 | 55 |
БРС ниппель / штуцер с внешней резьбой для гидравлики

|
|
|||||||||
| Артикул | Артикул | d | d1 | d2 | d3 | L | L1 | L2 | SW |
| 604.04 ERBM 20MP | 604.04 ERM 20MP H4 | M20x1,5 | 21 | 20,5 | 25 | 53,5 | 14 | 11,7 | 22 |
| 604.06 ERBM 24MP | 604.06 ERM 24MP H4 | M24x1,5 | 25 | 24,5 | 29 | 55 | 14 | 11,7 | 26 |
| 604.08 ERBM 27MP | 604.08 ERM 27MP H4 | M27x1,5 | 28 | 27,5 | 33 | 59 | 15,5 | 43,5 | 29 |
| 604.12 ERBM 36MP | 604.12 ERM 36MP H4 | M36x1,5 | 37 | 36,5 | 42 | 72 | 24 | 21,5 | 38 |
| 604.15 ERBM 42MP | 604.15 ERM 42MP H4 | M42x1,5 | 43 | 42,5 | 47 | 87 | 24,5 | 22,5 | 42 |
| 604.20 ERBM 52MP | 604.20 ERM 52MP H4 | M52x2,0 | 54 | 53 | 62 | 97,5 | 28,5 | 25,5 | 50 |
| 604.25 ERBM 64MP | 604.25 ERM 64MP H4 | M64x2,0 | 66 | 65 | 75 | 126,7 | 36 | 32 | 55 |
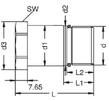
БРС муфта / розетка с внешней резьбой для гидравлики

| Артикул | Артикул | d |
d G8 |
d2 F8 |
L +0,1 |
L1 +0,1 |
L2 +0,1 |
| 604.04 EGBM 20MP | 604.04 EGM 20MP H4 | M20x1,5 | 21,1 | 20,5 | 25 | 42 | 33 |
| 604.06 EGBM 24MP | 604.06 EGM 24MP H4 | M24x1,5 | 25,1 | 24,5 | 29 | 42 | 33 |
| 604.08 EGBM 27MP | 604.08 EGM 27MP H4 | M27x1,5 | 28,1 | 27,5 | 33 | 44,5 | 33 |
| 604.12 EGBM 36MP | 604.12 EGM 36MP H4 | M36x1,5 | 37,1 | 36,5 | 42 | 52,5 | 33 |
| 604.15 EGBM 42MP | 604.15 EGM 42MP H4 | M42x1,5 | 43,1 | 42,5 | 47 | 63,5 | 43 |
| 604.20 EGBM 52MP | 604.20 EGM 52MP H4 | M52x2,0 | 54,1 | 53 | 62 | 70 | 46 |
| 604.25 EGBM 64MP | 604.25 EGM 64MP H4 | M64x2,0 | 66,1 | 65 | 75 | 92 | 64 |
БРС ниппель / штуцер с внешней резьбой для гидравлики

| Артикул | Артикул | d |
d G8 |
d2 F8 |
L +0,1 |
L1 +0,1 |
L2 +0,1 |
| 604.04 ERBM 20MP | 604.04 ERM 20MP H4 | M20x1,5 | 21,1 | 20,5 | 38 | 28 | 21,5 |
| 604.06 ERBM 24MP | 604.06 ERM 24MP H4 | M24x1,5 | 25,1 | 24,5 | 38 | 28 | 21,5 |
| 604.08 ERBM 27MP | 604.08 ERM 27MP H4 | M27x1,5 | 28,1 | 27,5 | 40 | 28 | 21,5 |
| 604.12 ERBM 36MP | 604.12 ERM 36MP H4 | M36x1,5 | 37,1 | 36,5 | 48 | 28 | 21,5 |
| 604.15 ERBM 42MP | 604.15 ERM 42MP H4 | M42x1,5 | 43,1 | 42,5 | 59 | 38 | 31,5 |
| 604.20 ERBM 52MP | 604.20 ERM 52MP H4 | M52x2,0 | 54,1 | 53 | 67 | 42 | 35 |
| 604.25 ERBM 64MP | 604.25 ERM 64MP H4 | M64x2,0 | 66,1 | 65 | 88 | 60 | 50 |
БРС муфта / розетка с внутренней резьбой для гидравлики
| Артикул | d | d1 | d2 | L | L1 | L2 |
| 604.15 DGB 26 | BSP 3/4” | 50 | 43 | 73 | 20 | 14 |
| 604.15 DGB 26 H4 | BSP 3/4” | 50 | 43 | 73 | 20 | 14 |
| 604.15 QGB 26 | BSPT 3/4” | 50 | 43 | 73 | 20 | 14 |
| 604.15 QGB 26 H4 | BSPT 3/4” | 50 | 43 | 73 | 20 | 14 |
| 604.15 DGB N26 | NPT 3/4” | 50 | 43 | 73 | 20 | 14 |
| 604.15 DGB N26 H4 | NPT 3/4” | 50 | 43 | 73 | 20 | 14 |
| 604.15 UGB 27 | UNF 1” 1/16-12 | 50 | 43 | 73 | 20 | 14 |
| 604.15 UGB 27 H4 | UNF 1” 1/16-12 | 50 | 43 | 73 | 20 | 14 |
| 604.20 DGB 33 | BSP 1” | 62 | 54 | 86 | 20 | 14 |
| 604.20 DGB 33 H4 | BSP 1” | 62 | 54 | 86 | 20 | 14 |
| 604.20 QGB 33 | BSPT 1” | 62 | 54 | 86 | 20 | 14 |
| 604.20 QGB 33 H4 | BSPT 1” | 62 | 54 | 86 | 20 | 14 |
| 604.20 DGB N33 | NPT 1” | 62 | 54 | 86 | 20 | 14 |
| 604.20 DGB N33 H4 | NPT 1” | 62 | 54 | 86 | 20 | 14 |
| 604.20 UGB 33 | UNF 1” 5/16-12 | 62 | 54 | 86 | 20 | 14 |
| 604.20 UGB 33 H4 | UNF 1” 5/16-12 | 62 | 54 | 86 | 20 | 14 |
| 604.25 DGB 42 | BSP 1” 1/4” | 75 | 66 | 108 | 20 | 14 |
| 604.25 DGB 42 H4 | BSP 1” 1/4” | 75 | 66 | 108 | 20 | 14 |
| 604.25 QGB 42 | BSPT 1” 1/4” | 75 | 66 | 108 | 20 | 14 |
| 604.25 QGB 42 H4 | BSPT 1” 1/4” | 75 | 66 | 108 | 20 | 14 |
| 604.25 DGB N42 | NPT 1” 1/4” | 75 | 66 | 108 | 20 | 14 |
| 604.25 DGB N42 H4 | NPT 1” 1/4” | 75 | 66 | 108 | 20 | 14 |
| 604.25 UGB 41 | UNF 1” 5/8-12 | 75 | 66 | 108 | 20 | 14 |
| 604.25 UGB 41 H4 | UNF 1” 5/8-12 | 75 | 66 | 108 | 20 | 14 |
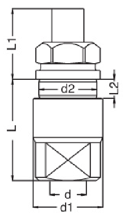
БРС штуцер / ниппель с внутренней резьбой для гидравлики

| Артикул | d | d1 | d2 | L | L1 | L2 |
| 604.15 DRB 26 | BSP 3/4” | 50 | 43 | 69 | 43 | 10 |
| 604.15 DRB 26 H4 | BSP 3/4” | 50 | 43 | 69 | 43 | 10 |
| 604.15 QRB 26 | BSPT 3/4” | 50 | 43 | 69 | 43 | 10 |
| 604.15 QRB 26 H4 | BSPT 3/4” | 50 | 43 | 69 | 43 | 10 |
| 604.15 DRB N26 | NPT 3/4” | 50 | 43 | 69 | 43 | 10 |
| 604.15 DRB N26 H4 | NPT 3/4” | 50 | 43 | 69 | 43 | 10 |
| 604.15 URB 27 | UNF 1” 1/16-12 | 50 | 43 | 69 | 43 | 10 |
| 604.15 URB 27 H4 | UNF 1” 1/16-12 | 50 | 43 | 69 | 43 | 10 |
| 604.20 DRB 33 | BSP 1” | 62 | 54 | 82 | 45 | 10 |
| 604.20 DRB 33 H4 | BSP 1” | 62 | 54 | 82 | 45 | 10 |
| 604.20 DZRB 33 | BSPT 1” | 62 | 54 | 82 | 45 | 10 |
| 604.20 QRB 33 H4 | BSPT 1” | 62 | 54 | 82 | 45 | 10 |
| 604.20 DRB N33 | NPT 1” | 62 | 54 | 82 | 45 | 10 |
| 604.20 DRB N33 H4 | NPT 1” | 62 | 54 | 82 | 45 | 10 |
| 604.20 URB 33 | UNF 1” 5/16-12 | 62 | 54 | 82 | 45 | 10 |
| 604.20 URB 33 H4 | UNF 1” 5/16-12 | 62 | 54 | 82 | 45 | 10 |
| 604.25 DRB 42 | BSP 1” 1/4” | 75 | 66 | 104 | 54 | 10 |
| 604.25 DRB 42 H4 | BSP 1” 1/4” | 75 | 66 |
104 |
54 | 10 |
| 604.25 QRB 42 | BSPT 1” 1/4” | 75 | 66 |
104 |
54 | 10 |
| 604.25 QRB 42 H4 | BSPT 1” 1/4” | 75 | 66 |
104 |
54 | 10 |
| 604.25 DRB N42 | NPT 1” 1/4” | 75 | 66 |
104 |
54 | 10 |
| 604.25 DRB N42 H4 | NPT 1” 1/4” | 75 | 66 |
104 |
54 | 10 |
| 604.25 URB 41 | UNF 1” 5/8-12 | 75 | 66 |
104 |
54 | 10 |
| 604.25 URB 41 H4 | UNF 1” 5/8-12 | 75 | 66 |
104 |
54 | 10 |
БРС муфта / розетка с внутренней резьбой для гидравлики
| Артикул | d | d1 | d2 | L | L1 | L2 |
| 604.50 DGB 60 | BSP 2” | 136 | 124 | 170 | 20 | 16 |
| 604.50 DGB N60 | NPT 2” | 136 | 124 | 170 | 20 | 16 |
| 604.75 DGB 90 | BSP 3” | 183 | 171 | 232 | 20 | 16 |
| 604.75 DGB N90 | NPT 3” | 183 | 171 | 232 | 20 | 16 |
| 604.37 DGB 48 | BSP 1” 1/2 | 108 | 96 | 151 | 20 | 16 |
| 604.37 DGB N48 | NPT 1” 1/2 | 108 | 96 | 151 | 20 | 16 |
БРС ниппель / штуцер с внутренней резьбой для гидравлики
| Артикул | d | d1 | d2 | L | L1 | L2 |
| 604.50 DRB 60 | BSP 2” | 136 | 124 | 170 | 20 | 16 |
| 604.50 DRB N60 | NPT 2” | 136 | 124 | 170 | 20 | 16 |
| 604.75 DRB 90 | BSP 3” | 183 | 171 | 228 | 121 | 16 |
| 604.75 DRB N90 | NPT 3” | 183 | 171 | 228 | 121 | 16 |
| 604.37 DRB 48 | BSP 1” 1/2 | 108 | 96 | 147 | 72 | 16 |
| 604.37 DRB N48 | NPT 1” 1/2 | 108 | 96 | 147 | 72 | 16 |