Область применения:
- Производство изделий из пластмасс
- Производство изделий из стекла
- Производство изделий из цветных металлов
- В системах регулирования температуры с горячей / холодной водой
Характеристики:
- Проток: NW 19
- Диапазон температур: от -20°C до +100°C, прокладки из Нитрил NBR
- Рабочее давление: от 0 до 35 бар
- Материал стандартного исполнения муфты, ниппеля: Латунь
- Материал специального исполнения муфты, ниппеля: Нержавеющая сталь, хромирование
- Материал стандартного исполнения прокладок: Нитрил NBR (N)
- Материал специального исполнения прокладок: Витон FPM (V)
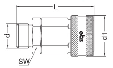
БРС муфта / розетка прямая с внутренней резьбой

|
|
|
|||||||
| Артикул | Артикул | d | d1 | L | SW | |||
| 571 EGB 21 | 571 EG 21 | BSP 1/2" | 42 | 79 | 32 | |||
| 571 EGB 26 | 571 EG 26 | BSP 3/4" | 42 | 81 | 32 | |||
| 571 EGB 33 | 571 EG 33 | BSP 1" | 42 | 83 | 36 | |||
| 571 EGB 42 | 571 EG 42 | BSP 1-1/4" | 42 | 85 | 46 | |||
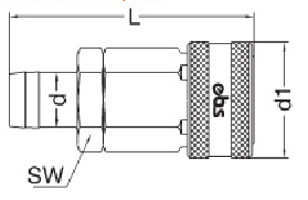
БРС муфта / розетка прямая с наружной резьбой

|
|
|
|||||||
| Артикул | Артикул | d | d1 | L | SW | |||
| 571 DGB 21 | 571 DG 21 | BSP 1/2" | 42 | 80 | 32 | |||
| 571 DGB 26 | 571 DG 26 | BSP 3/4" | 42 | 81 | 32 | |||
| 571DGB 33 | 571 DG 33 | BSP 1" | 42 | 81 | 40 | |||
| 571 DGB 42 | 571 DG 42 | BSP 1-1/4" | 42 | 83 | 50 | |||
БРС муфта / розетка прямая под шланг

|
|
|
|||||||
| Артикул | Артикул | d | d1 | L | SW | |||
| 571 HGB 16 | 571 HG 16 | 16 мм - 5/8” | 42 | 100 | 32 | |||
| 571 HGB 19 | 571 HG 19 | 19 мм - 3/4” | 42 | 100 | 32 | |||
| 571 HGB 25 | 571 HG 25 | 25 мм - 1" | 42 | 100 | 32 | |||
БРС штуцер /ниппель под шланг

|
|
|||||||
| Артикул | d | L | |||||
| 571 HR 16 | 16 мм - 5/8” | 66 | |||||
| 571 HR 33 | 19 мм - 3/4” | 66 | |||||
| 571 HR 42 | 25мм - 1” | 66 | |||||
БРС штуцер /ниппель с внешней резьбой

|
|
||||||||
| Артикул | d | L | SW | |||||
| 571 ER 26 | BSP 3/4" | 54 | 30 | |||||
| 571 ER 33 | BSP 1" | 57 | 36 | |||||
| 571 ER 42 | BSP 1-1/4" | 60 | 45 | |||||
БРС штуцер /ниппель с внутренней резьбой

|
|
||||||||
| Артикул | d | L | SW | |||||
| 571 DR 26 | BSP 3/4" | 51 | 32 | |||||
| 571 DR 33 | BSP 1" | 54 | 40 | |||||
| 571 DR 42 | BSP 1-1/4" | 54 | 50 | |||||
Страницы: 92-94