Область применения:
- Производство изделий из пластмасс
- Производство изделий из стекла
- Производство изделий из цветных металлов
Характеристики:
- Проток 9 мм
- Рабочее давление: от 0 до 10 бар
- Диапазон температур: от -5°C до +180°C, прокладки из витона FPM (V)
- Материал стандартного исполнения муфты, ниппеля: латунь
- Материал специального исполнения муфты, ниппеля: нержавеющая сталь;
- Материал стандартного исполнения прокладок: витон FPM (V)
- Опции: замок безопасности
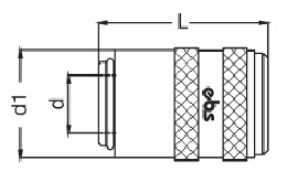
БРС муфта/розетка под шланг

| Артикул | Артикул | d | d1 | d2 | d3 | L | L1 |
| 590 HGB 10 | 590 HG 10 | 10 | 7,5 | 23 | 13 | 59 | 23 |
| 590 HGB 13 | 590 HG 13 | 13 | 10 | 23 | 13 | 59 | 23 |
БРС муфта/розетка 45° под шланг

| Артикул | Артикул | d | d1 | d2 | d3 | L | L1 |
| 590 HGB 10-45° | 590 HG 10-45° | 10 | 7,5 | 23 | 13 | 52 | 26 |
| 590 HGB 13-45° | 590 HG 13-45° | 13 | 10 | 23 | 13 | 52 | 26 |
БРС муфта/розетка 90° под шланг

| Артикул | Артикул | d | d1 | d2 | d3 | L | L1 |
| 590 HGB 10-90° | 590 HG 10-90° | 10 | 7,5 | 23 | 13 | 52 | 29 |
| 590 HGB 13-90° | 590 HG 13-90° | 13 | 10 | 23 | 13 | 52 | 29 |
БРС муфта/розетка под шланг с безмуфтовым соединением

| Артикул | Артикул | d | d1 | d2 | d3 | L | L1 |
| 590 FGB 10 | 590 FG 10 | 10 | 7,5 | 23 | 13 | 64 | 28 |
| 590 FGB 13 | 590 FG 13 | 13 | 10 | 23 | 13 | 64 | 28 |
БРС муфта/розетка 45° под шланг с безмуфтовым соединением

| Артикул | Артикул | d | d1 | d2 | d3 | L | L1 |
| 590 FGB 10-45° | 590 FG 10-45° | 10 | 7,5 | 23 | 13 | 52 | 29 |
| 590 FGB 13-45° |
590 FG 13-45° | 13 | 10 | 23 | 13 | 52 | 29 |
Муфта/розетка под углом 900 с безмуфтовым соединением

| Артикул | Артикул | d | d1 | d2 | d3 | L | L1 |
| 590 FGB 10-90° | 590 FG 10-90° | 10 | 7,5 | 23 | 13 | 52 | 29 |
| 590 FGB 13-90° | 590 FG 13-90° | 13 | 10 | 23 | 13 | 52 | 29 |
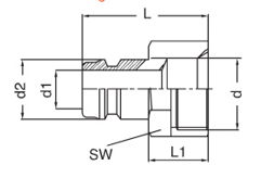
БРС муфта/розетка с наружной резьбой

| Артикул | Артикул | d | d1 | d2 | L | L1 | SW |
| 590 EGB 13 | 590 EG 13 | BSP 1/4” | 23 | 13 | 52 | 9 | 21 |
| 590 EGB 17 | 590 EG 17 | BSP 3/8” | 23 | 13 | 52 | 9 | 21 |
| 590 EGB 21 | 590 EG M10 | BSP 4/2” | 23 | 13 | 52 | 9 | 21 |
| 590 EGB M16 | 590 EG M16 | M16 x 1,5 | 23 | 13 | 52 | 10 | 21 |
БРС муфта/розетка 45° с наружной резьбой

| Артикул | Артикул | d | d1 | d2 | L | L1 | SW |
| 590 EGB 13-45° | 590 EG 13-45° | BSP 1/4” | 23 | 13 | 52 | 9 | 15 |
| 590 EGB 17-45° | 590 EG 17-45° | BSP 3/8” | 23 | 13 | 52 | 9 | 19 |
| 590 EGB 21-45° | 590 EG 21-45° | BSP 1/2” | 23 | 13 | 52 | 9 | 21 |
| 590 EGB M16-45° | 590 EG M16-45° | M14x1,5 | 23 | 13 | 52 | 10 | 19 |
БРС муфта/розетка 90° с наружной резьбой

| Артикул | Артикул | d | d1 | d2 | L | L1 | SW |
| 590 EGB 13-90° | 590 EG 13-90° | BSP 1/4” | 23 | 13 | 52 | 9 | 15 |
| 590 EGB 17-90° | 590EG 17-90° | BSP 3/8” | 23 | 13 | 52 | 9 | 19 |
| 590 EGB 21-90° | 590EG 21-90° | BSP 1/2” | 23 | 13 | 52 | 9 | 21 |
| 590 EGB M16-90° | 590 EG M16-90° | M16x1,5 | 23 | 13 | 52 | 10 | 19 |
Муфта/розетка с внутренней резьбой

| Артикул | Артикул | d | d1 | d2 | L | SW | |
| 590 DGB 13 | 590 DG 13 | BSP 1/4’’ | 23 | 13 | 52 | 21 | |
| 590 DGB 17 | 590 DG 17 | BSP 3/8’’ | 23 | 13 | 52 | 21 | |
| 590 DGB 21 | 590 DG 21 | BSP 1/2’’ | 23 | 13 | 52 | 21 | |
| 590 DGB M16 | 590 DG M16 | M16х1,5 | 23 | 13 | 52 | 21 | |
БРС адаптер муфта/розетка

| Артикул | Артикул | d | d1 | d2 | d3 | L | SW |
| 590 AUB 560 | 590 AU 560 | 5,5 | 9 | 23 | 13 | 58 | 45 |
| 590 AUB 590 | 590 AU 590 | 8 | 13 | 23 | 13 | 58 | 45 |
БРС адаптер муфты / розетки

| Артикул | Артикул | d | d1 | d2 | d3 | L | SW |
| 590 AUB 509 | 560 AU 509 | 8 | 13 | 23 | 13 | 60 | 45 |
БРС адаптер муфты/розетки

| Артикул | Артикул | d | d1 | L | |||
| 590 KGB 00 | 590 KG 00 | 13 | 23 | 56 | |||
БРС соединитель/розетка с муфтами

| Артикул | Артикул | d | d1 | d2 | L | L1 | |
| 590 KGB 125 | 590 KG 125 | 13 | 23 | 10x1 | 52 | 125 | |
| 590 KGB 250 | 590 KG 250 | 13 | 23 | 10x1 | 52 | 250 | |
| 590 KGB 500 | 590 KG 500 | 13 | 23 | 10x1 | 52 | 500 | |
БРС штуцер/ниппель под шланг

| Артикул | d | d1 | d2 | L | L1 | |
| 590 HR 10 | 10 | 9 | 13 | 40 | 23 | |
| 590 HR 13 | 13 | 9 | 13 | 52 | 25 | |
БРС штуцер/ниппель под шланг с соединением без хомута

| Артикул | d | d1 | d2 | L | L1 | |
| 590 FHR 10 | 10 | 9 | 13 | 43 | 28 | |
| 590 FHR 13 | 13 | 9 | 13 | 47 | 28 | |
БРС штуцер/ниппель глухой

| Артикул | d | L | ||||
| 590 KTR 00 | 13 | 20 | ||||
БРС штуцер/ниппель с внутренней резьбой

| Артикул | d | d1 | d2 | SW | L | L1 |
| 590 DR 13 | BSP 1/4” | 9 | 13 | 16 | 28 | 9 |
| 590 DR 17 | BSP 3/8” | 9 | 13 | 19 | 28 | 9 |
| 590 DR 21 | BSP 1/2” | 9 | 13 | 23 | 28 | 9 |
БРС штуцер/ниппель с внутренним шестигранником под ключ

| Артикул | d | d1 | d2 | SW | L | L1 |
| 590 AER13 | BSP 1/4” | 13 | 13,5 | 8 | 26 | 17 |
| 590 AER 17 | BSP 3/8” | 13 | 17 | 8 | 26 | 17 |
| 590 AER M14 | M14x1.,5 | 13 | 14,5 | 8 | 26 | 17 |
БРС штуцер/ниппель 90° с наружной резьбой

| Артикул | d | d1 | d2 | SW | L | L1 | L2 |
| 560 ER 13-90 | BSP 1/4’’ | 9 | 13 | 15 | 34 | 10 | 25 |
| 560 ER 17-90 | BSP 3/8’’ | 9 | 13 | 17 | 34 | 10 | 25 |
| 560 ER M14-90 | M14X1,5 | 9 | 13 | 15 | 34 | 10 | 25 |
БРС штуцер/ниппель с клапаном и наружной резьбой

| Артикул | d | d1 | d2 | SW | L | L1 | |
| 590 ERB 13 | BSP 1/4’’ | 9 | 13 | 14 | 29 | 10 | |
| 590 ERB 17 | BSP 3/8’’ | 9 | 13 | 17 | 29 | 10 | |
| 590 ERB 21 | BSP 1/2’’ | 9 | 13 | 21 | 29 | 10 | |
| 590 ERB M14 | M14x1,5 | 9 | 13 | 17 | 29 | 10 | |
| 590 ERB M16 | M16x1,5 | 9 | 13 | 17 | 29 | 10 | |
БРС штуцер/ниппель с внешней резьбой

| Артикул | d | d1 | d2 | SW | L | L1 | |
| 590 ER 10 | BSP 1/8’’ | 9 | 13 | 14 | 29 | 10 | |
| 590 ER 13 | BSP 1/4’’ | 9 | 13 | 14 | 29 | 10 | |
| 590 ER 17 | BSP 3/8’’ | 9 | 13 | 17 | 29 | 10 | |
| 590 ER 21 | BSP 1/2’’ | 9 | 13 | 21 | 29 | 10 | |
| 590 ER M8 | M8X1,25 | 9 | 13 | 14 | 29 | 10 | |
| 590 ER M10-1,5 | M10X1,5 | 9 | 13 | 14 | 29 | 10 | |
| 590 ER M10-1 | M10X1,0 | 9 | 13 | 14 | 29 | 10 | |
| 590 ER M12 | M12X1,25 | 9 | 13 | 14 | 29 | 10 | |
| 590 ER M14 | M14X1,5 | 9 | 13 | 21 | 29 | 10 | |
| 590 ER M16 | M16X1,5 | 9 | 13 | 21 | 29 | 10 | |
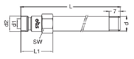
БРС штуцер/ниппель удлинительный с внешней резьбой

| Артикул | d | d1 | d2 | SW | L | L1 | |
| 590 ER 10-60 | BSP 1/8’’ | 9 | 13 | 14 | 60 | 20 | |
| 590 ER 10-80 | BSP 1/8’’ | 9 | 13 | 14 | 80 | 20 | |
| 590 ER 10-100 | BSP 1/8’’ | 9 | 13 | 14 | 100 | 20 | |
| 590 ER 10-120 | BSP 1/8’’ | 9 | 13 | 14 | 120 | 20 | |
| 590 ER 10-150 | BSP 1/8’’ | 9 | 13 | 14 | 150 | 20 | |
| 590 ER 10-175 | BSP 1/8’’ | 9 | 13 | 14 | 175 | 20 | |
| 590 ER 10-200 | BSP 1/8’’ | 9 | 13 | 14 | 200 | 20 | |
| 590 ER 10-250 | BSP 1/8’’ | 9 | 13 | 14 | 250 | 20 | |
| 590 ER 10-300 | BSP 1/8’’ | 9 | 13 | 14 | 300 | 20 | |
| 590 ER 10-350 | BSP 1/8’’ | 9 | 13 | 14 | 350 | 20 | |
| 590 ER 10-400 | BSP 1/8’’ | 9 | 13 | 14 | 400 | 20 | |
| 590 ER 13-60 | BSP 1/4’’ | 9 | 13 | 14 | 60 | 20 | |
| 590 ER 13-80 | BSP 1/4’’ | 9 | 13 | 14 | 80 | 20 | |
| 590 ER 13-100 | BSP 1/4’’ | 9 | 13 | 14 | 100 | 20 | |
| 590 ER 13-120 | BSP 1/4’’ | 9 | 13 | 14 | 120 | 20 | |
| 590 ER 13-150 | BSP 1/4’’ | 9 | 13 | 14 | 150 | 20 | |
| 590 ER 13-175 | BSP 1/4’’ | 9 | 13 | 14 | 175 | 20 | |
| 590 ER 13-200 | BSP 1/4’’ | 9 | 13 | 14 | 200 | 20 | |
| 590 ER 13-250 | BSP 1/4’’ | 9 | 13 | 14 | 250 | 20 | |
| 590 ER 13-300 | BSP 1/4’’ | 9 | 13 | 14 | 300 | 20 | |
| 590 ER 13-350 | BSP 1/4’’ | 9 | 13 | 14 | 350 | 20 | |
| 590 ER 13-400 | BSP 1/4’’ | 9 | 13 | 14 | 400 | 20 | |
| 590 ER 17-60 | BSP 3/8’’ | 9 | 13 | 14 | 60 | 20 | |
| 590 ER 17-80 | BSP 3/8’’ | 9 | 13 | 14 | 80 | 20 | |
| 590 ER 17-100 | BSP 3/8’’ | 9 | 13 | 14 | 100 | 20 | |
| 590 ER 17-120 | BSP 3/8’’ | 9 | 13 | 14 | 120 | 20 | |
| 590 ER 17-150 | BSP 3/8’’ | 9 | 13 | 14 | 150 | 20 | |
| 590 ER 17-175 | BSP 3/8’’ | 9 | 13 | 14 | 175 | 20 | |
| 590 ER 17-200 | BSP 3/8’’ | 9 | 13 | 14 | 200 | 20 | |
| 590 ER 17-250 | BSP 3/8’’ | 9 | 13 | 14 | 250 | 20 | |
| 590 ER 17-300 | BSP 3/8’’ | 9 | 13 | 14 | 300 | 20 | |
| 590 ER 17-350 | BSP 3/8’’ | 9 | 13 | 14 | 350 | 20 | |
| 590 ER 17-400 | BSP 3/8’’ | 9 | 13 | 14 | 400 | 20 | |
БРС штуцер/ниппель удлинительный с внешней резьбой

| Артикул | d | d1 | d2 | SW | L | L1 | |
| 590 ER M8-60 | M8x1,25 | 9 | 13 | 14 | 60 | 20 | |
| 590 ER M8-80 | M8x1,25 | 9 | 13 | 14 | 80 | 20 | |
| 590 ER M8-100 | M8x1,25’ | 9 | 13 | 14 | 100 | 20 | |
| 590 ER M8-120 | M8x1,25’ | 9 | 13 | 14 | 120 | 20 | |
| 590 ER M8-150 | M8x1,25 | 9 | 13 | 14 | 150 | 20 | |
| 590 ER M8-175 | M8x1,25 | 9 | 13 | 14 | 175 | 20 | |
| 590 ER M8-200 | M8x1,25 | 9 | 13 | 14 | 200 | 20 | |
| 590 ER M8-250 | M8x1,25 | 9 | 13 | 14 | 250 | 20 | |
| 590 ER M8-300 | M8x1,25 | 9 | 13 | 14 | 300 | 20 | |
| 590 ER M8-350 | M8x1,25 | 9 | 13 | 14 | 350 | 20 | |
| 590 ER M8-400 | M8x1,25 | 9 | 13 | 14 | 400 | 20 | |
| 590 ER M10-60 | M10x1,5 | 9 | 13 | 14 | 60 | 20 | |
| 590 ER M10-80 | M10x1,5 | 9 | 13 | 14 | 80 | 20 | |
| 590 ER M10-100 | M10x1,5 | 9 | 13 | 14 | 100 | 20 | |
| 590 ER M10-120 | M10x1,5 | 9 | 13 | 14 | 120 | 20 | |
| 590 ER M10-150 | M10x1,5 | 9 | 13 | 14 | 150 | 20 | |
| 590 ER M10-175 | M10x1,5 | 9 | 13 | 14 | 175 | 20 | |
| 590 ER M10-200 | M10x1,5 | 9 | 13 | 14 | 200 | 20 | |
| 590 ER M10-250 | M10x1,5 | 9 | 13 | 14 | 250 | 20 | |
| 590 ER M10-300 | M10x1,5 | 9 | 13 | 14 | 300 | 20 | |
| 590 ER M10-350 | M10x1,5 | 9 | 13 | 14 | 350 | 20 | |
| 590 ER M10-400 | M10x1,5 | 9 | 13 | 14 | 400 | 20 | |
| 590 ER M12-60 | M12x1,75 | 9 | 13 | 14 | 60 | 20 | |
| 590 ER M12-80 | M12x1,75 | 9 | 13 | 14 | 80 | 20 | |
| 590 ER M12-100 | M12x1,75 | 9 | 13 | 14 | 100 | 20 | |
| 590 ER M12-120 | M12x1,75 | 9 | 13 | 14 | 120 | 20 | |
| 590 ER M12-150 | M12x1,75 | 9 | 13 | 14 | 150 | 20 | |
| 590 ER M12-175 | M12x1,75 | 9 | 13 | 14 | 175 | 20 | |
| 590 ER M12-200 | M12x1,75 | 9 | 13 | 14 | 200 | 20 | |
| 590 ER M12-250 | M12x1,75 | 9 | 13 | 14 | 250 | 20 | |
| 590 ER M12-300 | M12x1,75 | 9 | 13 | 14 | 300 | 20 | |
| 590 ER M12-350 | M12x1,75 | 9 | 13 | 14 | 350 | 20 | |
| 590 ER M12-400 | M12x1,75 | 9 | 13 | 14 | 400 | 20 | |
| 590 ER M14-60 | M14x2 | 9 | 13 | 14 | 60 | 20 | |
| 590 ER M14-80 | M14x2 | 9 | 13 | 14 | 80 | 20 | |
| 590 ER M14-100 | M14x2 | 9 | 13 | 14 | 100 | 20 | |
| 590 ER M14-120 | M14x2 | 9 | 13 | 14 | 120 | 20 | |
| 590 ER M14-150 | M14x2 | 9 | 13 | 14 | 150 | 20 | |
| 590 ER M14-175 | M14x2 | 9 | 13 | 14 | 175 | 20 | |
| 590 ER M14-200 | M14x2 | 9 | 13 | 14 | 200 | 20 | |
| 590 ER M14-250 | M14x2 | 9 | 13 | 14 | 250 | 20 | |
| 590 ER M14-300 | M14x2 | 9 | 13 | 14 | 300 | 20 | |
| 590 ER M14-350 | M14x2 | 9 | 13 | 14 | 350 | 20 | |
| 590 ER M14-400 | M14x2 | 9 | 13 | 14 | 400 | 20 | |
| 590 ER M16-60 | M16x2 | 9 | 13 | 14 | 60 | 20 | |
| 590 ER M16-80 | M16x2 | 9 | 13 | 14 | 80 | 20 | |
| 590 ER M16-100 | M16x2 | 9 | 13 | 14 | 100 | 20 | |
| 590 ER M16-120 | M16x2 | 9 | 13 | 14 | 120 | 20 | |
| 590 ER M16-150 | M16x2 | 9 | 13 | 14 | 150 | 20 | |
| 590 ER M16-175 | M16x2 | 9 | 13 | 14 | 175 | 20 | |
| 590 ER M16-200 | M16x2 | 9 | 13 | 14 | 200 | 20 | |
| 590 ER M16-250 | M16x2 | 9 | 13 | 14 | 250 | 20 | |
| 590 ER M16-300 | M16x2 | 9 | 13 | 14 | 300 | 20 | |
| 590 ER M106-350 | M16x2 | 9 | 13 | 14 | 350 | 20 | |
| 590 ER M16-400 | M16x2 | 9 | 13 | 14 | 400 | 20 | |